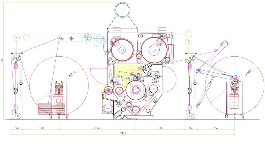
Sanfor compactor CGA
RF001112
CGA
work width 1800 mm
new machine year 2019
entry frame
cylinder steaming unit
compacting unit with rubber belt
felt calender roll diameter 800 mm
entry and exit can be manufactured as per customer's request










